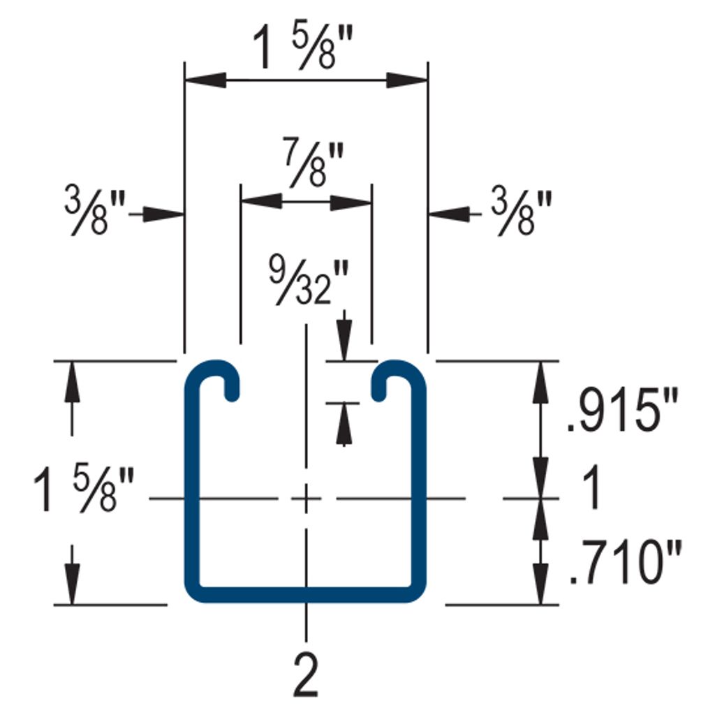
Available Finishes: Steel - Pre-Galvanized, Steel - Hot-Dipped Galvanized, Steel - Unfinished / Plain, Stainless Steel, FG
Available Lengths: 10′, 20′
Catalog Page: 19
Available Finishes: Steel - Pre-Galvanized, Steel - Hot-Dipped Galvanized, Steel - Unfinished / Plain, Stainless Steel, FG
Available Lengths: 10′, 20′
Catalog Page: 19


