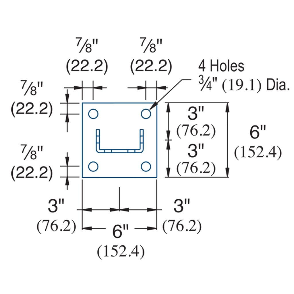
GF2073ASQ

SKU: GF2073ASQ Category:

Available Finishes: Steel - Zinc Electroplated, Steel - Hot-Dipped Galvanized, SS

Catalog Page: 54

×