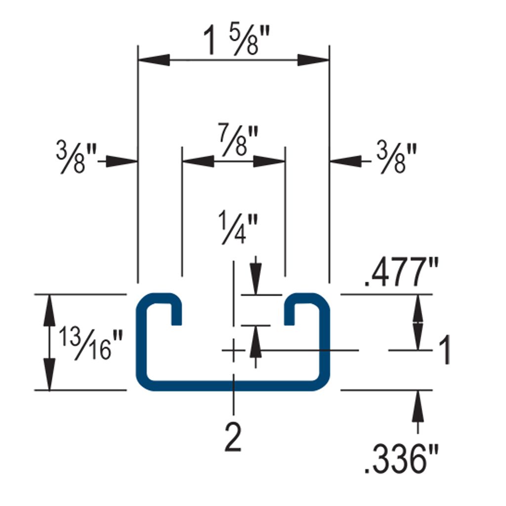
CH4100T – 13/16″ x 1-5/8″ 14 Gauge Channel with Slots

SKU: CH4100T Category:

Available Finishes: Steel - Pre-Galvanized, SS

Available Lengths: 10′, 20′

Catalog Page: 28

×